Описание звена ЗК 1.300
Звено (ЗК 1.300) применяется для устройства трубопроводов различного назначения, включая водоотводные системы, дренажи и другие инженерные коммуникации. Изделие изготавливается компанией ГК "БЛОК", которая специализируется на производстве и поставке железобетонных изделий в Москве, из высокопрочного бетона с армированием стальной арматурой, что обеспечивает его прочность, устойчивость к нагрузкам и долговечность.
Нормативный документ: ОСТ 35-27.1-85.
Применение звена ЗК 1.300
Звено ЗК 1.300 используется для создания надёжных трубопроводов, которые служат важной частью инфраструктуры, обеспечивающей отведение воды и защиту подземных коммуникаций. Оно применяется в строительстве дорог, жилых районов, промышленных объектов и других сооружений. Для монтажа могут применяться дополнительные элементы: герметизирующие материалы, закладные детали и другие комплектующие.
Типы звеньев
Железобетонные звенья подразделяются на несколько типов в зависимости от назначения и конструкции:
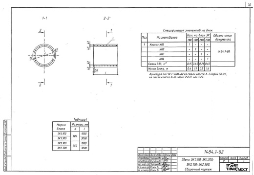
- ЗК: звено круглое;
- ЗП: звено прямоугольное;
- ЗУ: звено усиленное;
- ЗД: звено доборное.
Размеры зависят от типа: длина 3000–6000 мм, диаметр или ширина 1000–3000 мм.
Основные параметры, размеры и характеристики
- Длина L, мм: 3000
- Масса, тонн: 1.0
- Объем бетона, м³: 0.39
- Геометрический объем, м³: 1.3068
- Сталь, кг: 20.1
Дополнительные характеристики
- Марка по морозостойкости: F150–F200;
- Марка по водонепроницаемости: W6–W8;
- Технология изготовления: вибропрессование или формование с использованием высокопрочного бетона.
Нормы загрузки
- Норма загрузки в автотранспорт 20 т, шт: 20
Расшифровка маркировки ЗК 1.300
Маркировка "ЗК 1.300" содержит следующую информацию:
- ЗК – звено круглое;
- 1.300 – условный внутренний диаметр изделия в метрах (1300 мм).
Условия транспортировки и хранения
Звенья ЗК 1.300 перевозятся автомобильным или железнодорожным транспортом с использованием специальных захватных устройств (строп). Хранение осуществляется на ровных площадках с твердым покрытием. Звенья устанавливаются горизонтально в штабель высотой не более 2,5 м. Для предотвращения повреждений между изделиями устанавливаются деревянные прокладки.
Контроль качества звена ЗК 1.300
Каждое звено ЗК 1.300 проходит многоступенчатый контроль качества. Проверяются:
- прочность бетона (не ниже нормативного значения);
- соответствие геометрических размеров проектным данным;
- морозостойкость и водонепроницаемость бетона;
- точность расположения закладных элементов;
- отсутствие трещин, сколов и других дефектов.
Заключение
Звено ЗК 1.300 – это надежный и долговечный элемент для устройства трубопроводов, обеспечивающих отведение воды и защиту подземных коммуникаций. Благодаря использованию качественных материалов и современных технологий производства, оно обеспечивает прочность, устойчивость и долговечность конструкций. Для заказа качественных железобетонных изделий обращайтесь к профессионалам своего дела – компании ГК "БЛОК".
Смотрите также:
| Варианты написания товара |
|---|
| Звено ЗК 1.300 |
| ЗК 1.300 звено |
| Звено ЗК 1.300 ОСТ 35-27.1-85 |
| ЗК 1.300 ОСТ 35-27.1-85 |
| ЗК 1.300 |
| Звено ЗК 1.300 ГОСТ |
| ЗК 1.300 ГОСТ |
Как купить
Процесс покупки железобетонных изделий у нас прост и удобен. Следуйте этим шагам:
- Выбор продукции: Ознакомьтесь с нашим ассортиментом и выберите необходимые железобетонные изделия.
- Консультация: Свяжитесь с нашим менеджером для получения консультации по выбору продукции и уточнения всех деталей. Вы можете позвонить нам или написать на электронную почту.
- Оформление заказа: После согласования всех деталей оформите заказ. Менеджер поможет вам заполнить все необходимые документы.
- Согласование доставки: После оформления заказа наш менеджер свяжется с вами для согласования условий и сроков доставки.
- Оплата: Выберите удобный способ оплаты. Мы предлагаем несколько вариантов, включая безналичный расчет.
- Получение товара: После выполнения всех условий заказа, вы получите железобетонные изделия в назначенное время и по согласованному адресу. При получении подпишите акт приема-передачи.
Если у вас возникли вопросы на любом этапе покупки, не стесняйтесь обращаться к нашим менеджерам!
Оплата
Мы принимаем только безналичные платежи и работаем исключительно с юридическими лицами. Пожалуйста, ознакомьтесь с условиями оплаты ниже:
- Способ оплаты: Все расчеты производятся безналичным путем. Мы не принимаем наличные.
- Счет на оплату: После оформления заказа вам будет выставлен счет, который необходимо оплатить в срок, указанный в документе.
- Реквизиты: Все необходимые банковские реквизиты будут предоставлены в счете. Убедитесь, что все данные указаны правильно для успешного перевода.
- Подтверждение оплаты: После осуществления платежа отправьте нам подтверждение, чтобы мы могли оперативно обработать ваш заказ.
- Получение документов: После полной оплаты вы получите все необходимые документы, включая акт выполненных работ, товарные накладные и сертификаты на продукцию.
Мы работаем с НДС и предоставляем все необходимые сертификаты и документы. Все гарантии будут прописаны в договоре, что обеспечивает прозрачность и надежность сотрудничества.
Если у вас есть вопросы по поводу процесса оплаты, не стесняйтесь обращаться к нашим менеджерам за помощью!
Наша оперативность — ваше удобство. Мы гарантируем своевременную доставку железобетонных изделий, что является ключевым фактором для успешной реализации ваших строительных проектов. Доставка осуществляется прямо к вашему объекту с учетом всех стандартов качества.
Основные условия доставки:
• Выбор тарифа: Вы можете выбрать способ расчета стоимости доставки — почасовой или по зонам.
• Согласование: Менеджер свяжется с вами для уточнения деталей после оформления заказа.
• Время на погрузку: Комплектация товара занимает от 1 до 3 дней в зависимости от объема.
• Акт приема-передачи: Продукция передается по акту приема-передачи.
Тарифы на доставку:
Цены варьируются в зависимости от расстояния и региона. Все тарифы включают НДС. При неблагоприятных погодных условиях возможны небольшие изменения в стоимости.
География доставки:
Мы работаем по всей территории РФ и имеем 12 офисов и производств, чтобы обеспечить удобные условия для доставки.
Для точного расчета стоимости доставки обращайтесь к нашим менеджерам!

