В компании ООО “БЛОК” можно заказать фермы 2ФПН12 для покрытия крыш одноэтажных промышленных зданий и сооружений железобетонные, а так же проконсультироваться с нашими специалистами, подобрать требуемые конструкции железобетонных изделий. В нашем отделе продаж можно узнать заранее уточнить цену ферм железобетонных 2ФПН12 для покрытия крыш одноэтажных промышленных зданий и сооружений и рассчитать общую стоимость заказа. Купить фермы 2ФПН12 для покрытия крыш одноэтажных промышленных зданий и сооружений железобетонные и проконсультироваться по общим вопросам покупки и доставки Вы можете позвонив по телефонам компании ООО “БЛОК”: #ttt Компания ООО “БЛОК” осуществляет доставку ферм 2ФПН12 для покрытия крыш одноэтажных промышленных зданий и сооружений по всей России прямо до объекта заказчика или на строительную площадку, если позволяет инфраструктура.
Использование конструкций фермы типа 2ФПН12 для покрытия крыш одноэтажных промышленных зданий и сооружений требует тщательного расчета несущей способности строения здания. Стропильные конструкции из железобетона крепят к закладным деталям, которые расположены в колоннах или несущих стенах. Еще до начала монтажа проводят проверку качества элементов, их размеров, расположения закладных деталей, подготавливают места опирания. Для приваривания закладных деталей фермы к опорам в составе монтажной бригады должен обязательно участвовать сварщик.
Продольную жесткость конструкции фермы 2ФПН12 для покрытия крыш одноэтажных промышленных зданий и сооружений обеспечивают при помощи металлических прогонов, которые приваривают к закладным деталям. В зависимости от типа кровельного покрытия его укладывают либо HF обрешетку, либо непосредственно к прогонам.
|
ГОСТ/Серия
|
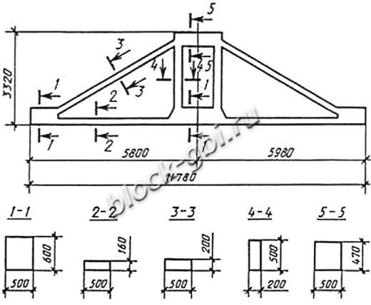
ГОСТ 20213-89 |
|
Длина, мм
|
11780 |
|
Ширина, мм
|
3320 |
|
Высота, мм
|
500 |
|
Масса, тонн
|
8.75 |
|
Объем бетона, куб.м
|
3.5 |
|
Класс бетона
|
В25 |
|
Геометрический объем, м.куб
|
200|200|200|200|200 |
Как купить
Процесс покупки железобетонных изделий у нас прост и удобен. Следуйте этим шагам:
- Выбор продукции: Ознакомьтесь с нашим ассортиментом и выберите необходимые железобетонные изделия.
- Консультация: Свяжитесь с нашим менеджером для получения консультации по выбору продукции и уточнения всех деталей. Вы можете позвонить нам или написать на электронную почту.
- Оформление заказа: После согласования всех деталей оформите заказ. Менеджер поможет вам заполнить все необходимые документы.
- Согласование доставки: После оформления заказа наш менеджер свяжется с вами для согласования условий и сроков доставки.
- Оплата: Выберите удобный способ оплаты. Мы предлагаем несколько вариантов, включая безналичный расчет.
- Получение товара: После выполнения всех условий заказа, вы получите железобетонные изделия в назначенное время и по согласованному адресу. При получении подпишите акт приема-передачи.
Если у вас возникли вопросы на любом этапе покупки, не стесняйтесь обращаться к нашим менеджерам!
Оплата
Мы принимаем только безналичные платежи и работаем исключительно с юридическими лицами. Пожалуйста, ознакомьтесь с условиями оплаты ниже:
- Способ оплаты: Все расчеты производятся безналичным путем. Мы не принимаем наличные.
- Счет на оплату: После оформления заказа вам будет выставлен счет, который необходимо оплатить в срок, указанный в документе.
- Реквизиты: Все необходимые банковские реквизиты будут предоставлены в счете. Убедитесь, что все данные указаны правильно для успешного перевода.
- Подтверждение оплаты: После осуществления платежа отправьте нам подтверждение, чтобы мы могли оперативно обработать ваш заказ.
- Получение документов: После полной оплаты вы получите все необходимые документы, включая акт выполненных работ, товарные накладные и сертификаты на продукцию.
Мы работаем с НДС и предоставляем все необходимые сертификаты и документы. Все гарантии будут прописаны в договоре, что обеспечивает прозрачность и надежность сотрудничества.
Если у вас есть вопросы по поводу процесса оплаты, не стесняйтесь обращаться к нашим менеджерам за помощью!
Наша оперативность — ваше удобство. Мы гарантируем своевременную доставку железобетонных изделий, что является ключевым фактором для успешной реализации ваших строительных проектов. Доставка осуществляется прямо к вашему объекту с учетом всех стандартов качества.
Основные условия доставки:
• Выбор тарифа: Вы можете выбрать способ расчета стоимости доставки — почасовой или по зонам.
• Согласование: Менеджер свяжется с вами для уточнения деталей после оформления заказа.
• Время на погрузку: Комплектация товара занимает от 1 до 3 дней в зависимости от объема.
• Акт приема-передачи: Продукция передается по акту приема-передачи.
Тарифы на доставку:
Цены варьируются в зависимости от расстояния и региона. Все тарифы включают НДС. При неблагоприятных погодных условиях возможны небольшие изменения в стоимости.
География доставки:
Мы работаем по всей территории РФ и имеем 12 офисов и производств, чтобы обеспечить удобные условия для доставки.
Для точного расчета стоимости доставки обращайтесь к нашим менеджерам!

