Железобетонные плиты перекрытий 1ПВ 6-6 ребристые – это особые плиты, которые применяются в строительстве жилых и нежилых зданий и сооружений в качестве межэтажных перекрытий и покрытий. Плиты укладываются горизонтально, для нижележащего этажа являясь потолком, а для вышележащего – полом. Простота конструкции и высокая прочность железобетонных изделий – главные причины популярности плит перекрытий в строительстве зданий и сооружений различного назначения.
Железобетонные плиты перекрытий 1ПВ 6-6 ребристые представляют собой плоскую плиту. Внутри плиты по периметру проходит армирование, представляющее собой сетку из высокопрочной стали. Для удобства крепления к другим плитам изделия могут иметь вырезы или пазы по бокам. Для подъема и монтажа в теле плит предусмотрены подъемные петли или отверстия.
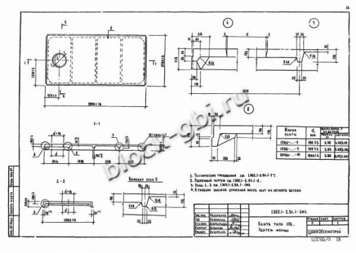
Плиты перекрытий 1ПВ 6-6 ребристые изготавливаются в соответствии с нормами и правилами, указанными в ГОСТ и сериях к ним. В качестве материала плит используется тяжелый бетон классов В15 – В35 по прочности на сжатие или легкий бетон на пористых заполнителях тех же классов по прочности. Значение нормируемой отпускной прочности бетона предварительно напряженных плит принимают равным значению нормируемой передаточной прочности, а плит с ненапрягаемой арматурой – равным 70 % марки бетона по прочности на сжатие. При поставке плит в холодный период года значение нормируемой отпускной прочности бетона может быть повышено, но не более 85 % марки бетона по прочности на сжатие.
Плиты перекрытия 1ПВ 6-6 ребристые железобетонные армируются арматурной сталью различных видов и классов, в зависимости от условий и назначения строительства. В качестве напрягаемой арматуры используется термомеханически упрочненная стержневая сталь классов Ат-IV, Ат-V и Ат-VI по ГОСТ 10884, горячекатаная стержневая классов A-IV, А-V и A-VI по ГОСТ 5781, арматурные канаты класса К-7 по ГОСТ 13840, высокопрочная проволока периодического профиля класса Вр-II по ГОСТ 7348, проволока класса Вр-600 по ТУ 14-4-1322 и стержневая арматура класса А-IIIв, изготовленная из арматурной стали класса А-III по ГОСТ 5781, упрочненной вытяжкой с контролем величины напряжения и предельного удлинения. В качестве ненапрягаемой арматуры используется горячекатаная стержневая сталь периодического профиля классов А-II, А-III или гладкая сталь класса А-I по ГОСТ 5781, а также проволока периодического профиля класса Вр-I по ГОСТ 6727 и класса Вр-600 по ТУ 14-4-1322. В плитах перекрытий, изготовливаемых методами непрерывного безопалубочного формования на длинных стендах, непрерывного армирования, а также с использованием разнотемпературного электротермического натяжения, применяется высокопрочная проволочная арматура по ГОСТ 7348 и канаты по ГОСТ 13840.
Железобетонные плиты перекрытий 1ПВ 6-6 ребристые являются очень ответственными изделиями, от качества плит зависит не только надежность и целостность сооружений, но и безопасность зданий. Поэтому к качеству плит предъявляются достаточно серьезные требования, контроль качества при этом должен происходить на всех этапах изготовления, хранения, отпуска и транспортирования изделий.
В бетоне плит не допускаются какие-либо трещины, за исключением усадочных и других поверхностных технологических трещин. При этом ширина трещин должна быть не более 0,3 мм на верхней поверхности и 0,2 мм – на боковых и нижней поверхностях. Обнажение арматуры категорически не допускается, за исключением выпусков арматуры или концов напрягаемой арматуры, которые не должны выступать за торцовые поверхности плит более чем на 10 мм и должны быть защищены слоем цементно-песчаного раствора или битумным лаком.
Плиты многопустотные 1ПВ 6-6 ребристые также должны изготавливаться в полном соответствии с геометрическими параметрами, указанными в чертежах проекта. Отклонения от линейного размера не должны превышать ±6..12 мм по длине и ширине плиты, ±5 мм – по толщине. Размеры, определяющие положение отверстий и вырезов, а также положение закладных изделий в плоскости плиты, не должны иметь погрешность больше, чем 10 мм. Размеры, определяющие положение закладных изделий из плоскости плиты, должны быть не больше 5 мм. Отклонение от прямолинейности профиля верхней поверхности плиты и профиля боковых граней на длине 2000 мм не должно превышать 5 мм. Отклонения от плоскостности должны быть менее 8..10 мм.
Плиты перекрытий 1ПВ 6-6 ребристые следует хранить и транспортировать в рабочем, горизонтальном положении в штабелях. На специализированных транспортных средствах допускается перевозка плит в наклонном и вертикальном положениях. Высота шта
беля плит должна быть не более 2,5 м. Под нижний ряд плит на тщательно выравненное основание укладываются подкладки, а между рядами – прокладки. Подкладки и прокладки должны располагаться вблизи монтажных петель. Транспортировка должна производиться с надежным закреплением плит, предохраняющим их от смещения. Погрузка, транспортировка, разгрузка и хранение плит должны исключать возможность повреждения изделий. После монтажа швы между плитами должны быть тщательно заполнены цементным раствором или бетоном на мелком заполнителе и классом не ниже В15.
В компании ГК “БЛОК” можно заказать плиты перекрытий 1ПВ 6-6 ребристые железобетонные, а так же проконсультироваться с нашими специалистами, подобрать требуемые конструкции железобетонных изделий. В нашем отделе продаж можно узнать заранее уточнить цену плит перекрытий 1ПВ 6-6 ребристые и рассчитать общую стоимость заказа. Купить плиты многопустотные 1ПВ 6-6 ребристые и проконсультироваться по общим вопросам покупки и доставки Вы можете позвонив по телефонам компании ГК БЛОК: Санкт-Петербург: (812) 309-22-09, Москва: (495) 646-38-32, Краснодар: (861) 279-36-00. Режим работы компании: Пн-Пт с 9-00 до 18-00. Компания ГК БЛОК осуществляет доставку плит перекрытий 1ПВ 6-6 ребристые по всей России прямо до объекта заказчика или на строительную площадку, если позволяет инфраструктура.
|
ГОСТ/Серия
|
Серия 1.065.1-2.94, вып. 1 |
|
Длина, мм
|
5970 |
|
Ширина, мм
|
2980 |
|
Высота, мм
|
250 |
|
Масса, тонн
|
2.9 |
|
Объем бетона, куб.м
|
1.16 |
|
Класс бетона
|
В25 |
|
Геометрический объем, м.куб
|
4.44765 |
|
Сталь, кг
|
165.2 |
|
Закладная 1
|
Каркас КР1 |
|
Закладная 2
|
Каркас КР |
|
Закладная 3
|
Каркас КР |
|
Закладная 4
|
Сетка С |
Как купить
Процесс покупки железобетонных изделий у нас прост и удобен. Следуйте этим шагам:
- Выбор продукции: Ознакомьтесь с нашим ассортиментом и выберите необходимые железобетонные изделия.
- Консультация: Свяжитесь с нашим менеджером для получения консультации по выбору продукции и уточнения всех деталей. Вы можете позвонить нам или написать на электронную почту.
- Оформление заказа: После согласования всех деталей оформите заказ. Менеджер поможет вам заполнить все необходимые документы.
- Согласование доставки: После оформления заказа наш менеджер свяжется с вами для согласования условий и сроков доставки.
- Оплата: Выберите удобный способ оплаты. Мы предлагаем несколько вариантов, включая безналичный расчет.
- Получение товара: После выполнения всех условий заказа, вы получите железобетонные изделия в назначенное время и по согласованному адресу. При получении подпишите акт приема-передачи.
Если у вас возникли вопросы на любом этапе покупки, не стесняйтесь обращаться к нашим менеджерам!
Оплата
Мы принимаем только безналичные платежи и работаем исключительно с юридическими лицами. Пожалуйста, ознакомьтесь с условиями оплаты ниже:
- Способ оплаты: Все расчеты производятся безналичным путем. Мы не принимаем наличные.
- Счет на оплату: После оформления заказа вам будет выставлен счет, который необходимо оплатить в срок, указанный в документе.
- Реквизиты: Все необходимые банковские реквизиты будут предоставлены в счете. Убедитесь, что все данные указаны правильно для успешного перевода.
- Подтверждение оплаты: После осуществления платежа отправьте нам подтверждение, чтобы мы могли оперативно обработать ваш заказ.
- Получение документов: После полной оплаты вы получите все необходимые документы, включая акт выполненных работ, товарные накладные и сертификаты на продукцию.
Мы работаем с НДС и предоставляем все необходимые сертификаты и документы. Все гарантии будут прописаны в договоре, что обеспечивает прозрачность и надежность сотрудничества.
Если у вас есть вопросы по поводу процесса оплаты, не стесняйтесь обращаться к нашим менеджерам за помощью!
Наша оперативность — ваше удобство. Мы гарантируем своевременную доставку железобетонных изделий, что является ключевым фактором для успешной реализации ваших строительных проектов. Доставка осуществляется прямо к вашему объекту с учетом всех стандартов качества.
Основные условия доставки:
• Выбор тарифа: Вы можете выбрать способ расчета стоимости доставки — почасовой или по зонам.
• Согласование: Менеджер свяжется с вами для уточнения деталей после оформления заказа.
• Время на погрузку: Комплектация товара занимает от 1 до 3 дней в зависимости от объема.
• Акт приема-передачи: Продукция передается по акту приема-передачи.
Тарифы на доставку:
Цены варьируются в зависимости от расстояния и региона. Все тарифы включают НДС. При неблагоприятных погодных условиях возможны небольшие изменения в стоимости.
География доставки:
Мы работаем по всей территории РФ и имеем 12 офисов и производств, чтобы обеспечить удобные условия для доставки.
Для точного расчета стоимости доставки обращайтесь к нашим менеджерам!

