Дорожная плита ПД6
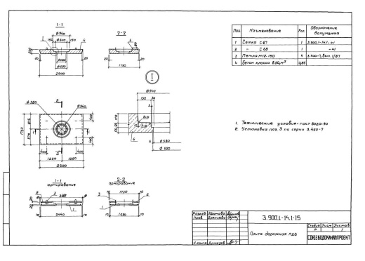
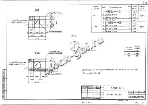
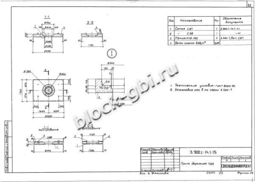
Дорожная плита ПД6 — это железобетонное изделие, предназначенное для устройства временных дорог, подъездных путей и площадок на строительных объектах. Изготовленная по серии 3.900.1-14 из тяжелого бетона класса B30 с армированием стальной арматурой диаметром 10–16 мм, плита обеспечивает высокую прочность и долговечность покрытий, выдерживая нагрузки от тяжелой строительной техники.
Область применения
Плита ПД6 используется для обустройства временных дорог и подъездных путей к строительным площадкам, а также для создания площадок под складирование материалов и оборудования. Она применяется в условиях высоких нагрузок, включая движение грузового транспорта и строительной техники. Плита подходит для укрепления грунтовых оснований и широко используется в муниципальном и промышленном строительстве.
Преимущества конструкции
Плита ПД6 изготавливается из бетона класса B30, что гарантирует устойчивость к механическим нагрузкам, истиранию и агрессивным средам. Армирование стальной арматурой предотвращает растрескивание и деформации. Точные размеры (длина 6000 мм, ширина 2000 мм, толщина 140 мм) и вес (4200 кг) обеспечивают удобство монтажа и надежность покрытия. Плита совместима с песчано-гравийным основанием и крепежными элементами, что упрощает её укладку.
Контроль качества
Каждая плита ПД6 проходит строгий контроль качества по серии 3.900.1-14. Проверяются прочность бетона (не ниже B30), соответствие геометрических размеров, качество армирования и отсутствие дефектов (трещин, сколов). Многоступенчатый контроль гарантирует стабильное качество и надежность изделия в условиях интенсивной эксплуатации.
Условия транспортировки и хранения
Плиты ПД6 транспортируются автомобильным или железнодорожным транспортом с использованием строп для захвата. Хранение осуществляется на ровных площадках с твердым покрытием. Изделия укладываются горизонтально в штабели высотой до 2,5 м с деревянными прокладками для предотвращения повреждений.
Где купить плиту ПД6
Компания «Блок-ЖБИ» предлагает купить дорожные плиты ПД6 напрямую от производителя с гарантией качества и оперативной доставкой. Продукция соответствует серии 3.900.1-14 и подходит для эксплуатации в сложных условиях. Мы обеспечиваем быструю отгрузку, помощь в подборе и выгодные условия для строительных организаций. Свяжитесь с нашими менеджерами для оформления заказа или получения технической консультации.
Консультация и помощь
Остались вопросы? Обратитесь к нашим менеджерам — поможем выбрать подходящие железобетонные изделия и предоставим всю необходимую информацию по их применению и доставке.
Смотрите также:
| Варианты написания товара |
|---|
| Дорожная плита ПД6 |
| Плита дорожная ПД6 |
| ПД6 дорожная плита |
| Дорожная плита ПД-6 |
| Плита ПД6 дорожная |
| ПД-6 дорожная плита |
| ПД6 плита |
| Плита ПД-6 |
| ПД_6 дорожная плита |
| ПД6 |
| Плита ПД-6 дорожная |
| Плита ПД.6 |
| ПД.6 дорожная плита |
| ПД.6 плита |
| ПД.6_плита дорожная |
| ПД6 |
| ПД6 плита дорожная |
| ПД6_плита |
| ПД.6 |
| ПД-6 |
| ПД_6 |
| ПД6 дорожная |
| ПД6_дорожная |
| ПД.6 дорожная |
| ПД-6 дорожная |
| ПД_6 дорожная |
|
ГОСТ/Серия
|
Серия 3.900.1-14 |
|
Длина, мм
|
2500 |
|
Ширина, мм
|
1750 |
|
Высота, мм
|
220 |
|
Масса, тонн
|
2.1 |
|
Объем бетона, куб.м
|
0.85 |
|
Класс бетона
|
В20 |
|
Геометрический объем, м.куб
|
99.3 |
|
Сталь, кг
|
Сетка С67 |
|
Закладная 1
|
Сетка С68 |
|
Закладная 2
|
Петля М12-150 |
|
Закладная 3
|
1 |
|
Закладная 4
|
1 |
Как купить
Процесс покупки железобетонных изделий у нас прост и удобен. Следуйте этим шагам:
- Выбор продукции: Ознакомьтесь с нашим ассортиментом и выберите необходимые железобетонные изделия.
- Консультация: Свяжитесь с нашим менеджером для получения консультации по выбору продукции и уточнения всех деталей. Вы можете позвонить нам или написать на электронную почту.
- Оформление заказа: После согласования всех деталей оформите заказ. Менеджер поможет вам заполнить все необходимые документы.
- Согласование доставки: После оформления заказа наш менеджер свяжется с вами для согласования условий и сроков доставки.
- Оплата: Выберите удобный способ оплаты. Мы предлагаем несколько вариантов, включая безналичный расчет.
- Получение товара: После выполнения всех условий заказа, вы получите железобетонные изделия в назначенное время и по согласованному адресу. При получении подпишите акт приема-передачи.
Если у вас возникли вопросы на любом этапе покупки, не стесняйтесь обращаться к нашим менеджерам!
Оплата
Мы принимаем только безналичные платежи и работаем исключительно с юридическими лицами. Пожалуйста, ознакомьтесь с условиями оплаты ниже:
- Способ оплаты: Все расчеты производятся безналичным путем. Мы не принимаем наличные.
- Счет на оплату: После оформления заказа вам будет выставлен счет, который необходимо оплатить в срок, указанный в документе.
- Реквизиты: Все необходимые банковские реквизиты будут предоставлены в счете. Убедитесь, что все данные указаны правильно для успешного перевода.
- Подтверждение оплаты: После осуществления платежа отправьте нам подтверждение, чтобы мы могли оперативно обработать ваш заказ.
- Получение документов: После полной оплаты вы получите все необходимые документы, включая акт выполненных работ, товарные накладные и сертификаты на продукцию.
Мы работаем с НДС и предоставляем все необходимые сертификаты и документы. Все гарантии будут прописаны в договоре, что обеспечивает прозрачность и надежность сотрудничества.
Если у вас есть вопросы по поводу процесса оплаты, не стесняйтесь обращаться к нашим менеджерам за помощью!
Наша оперативность — ваше удобство. Мы гарантируем своевременную доставку железобетонных изделий, что является ключевым фактором для успешной реализации ваших строительных проектов. Доставка осуществляется прямо к вашему объекту с учетом всех стандартов качества.
Основные условия доставки:
• Выбор тарифа: Вы можете выбрать способ расчета стоимости доставки — почасовой или по зонам.
• Согласование: Менеджер свяжется с вами для уточнения деталей после оформления заказа.
• Время на погрузку: Комплектация товара занимает от 1 до 3 дней в зависимости от объема.
• Акт приема-передачи: Продукция передается по акту приема-передачи.
Тарифы на доставку:
Цены варьируются в зависимости от расстояния и региона. Все тарифы включают НДС. При неблагоприятных погодных условиях возможны небольшие изменения в стоимости.
География доставки:
Мы работаем по всей территории РФ и имеем 12 офисов и производств, чтобы обеспечить удобные условия для доставки.
Для точного расчета стоимости доставки обращайтесь к нашим менеджерам!

