Плиты днища колодцев (КЦД) ТП 902-09-46.88 — прочное и качественное основание для смотровых и дождеприёмных колодцев с внутренним диаметром 1,2 м. Изготавливается по ТУ 902-09-46.88 из тяжёлого бетона класса В15 (М200), армированного стальной проволочной сеткой и оснащённого монтажными петлями — изделие весом около 275 кг создаёт устойчивую, герметичную конструкцию, защищающую от проникновения грунтовых и сточных вод.
Область применения
Плита предназначена для монтажа колодцев систем водоотведения, ливнёвой канализации, септиков, питьевых и технических шахт, а также в условиях плотной городской застройки. Она может использоваться как при строительстве новых участков, так и при реконструкции коммуникаций. Особенно эффективна при высоком уровне грунтовых вод и во влажных просадочных грунтах, где требуется герметичность и прочность дна колодца.
Преимущества изделия
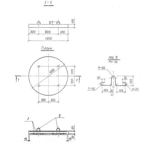
– Герметичность и влагозащита: бетон марки В15 с морозостойкостью F100 и водонепроницаемостью W4 предотвращает проникновение влаги и грязи в колодец.
– Механическая прочность: толщина 100 мм, вес 275 кг и арматурная сетка обеспечивают устойчивость к нагрузкам и смещениям грунта.
– Удобный монтаж: изделие оснащено монтажными петлями и имеет точные размеры (1200 × 1200 × 100 мм), что сокращает время установки и исключает подгонку.
– Долговечность: гладкая поверхность и сертифицированное качество бетона уменьшают риск коррозии и растрескивания, продлевая срок службы конструкции на десятки лет.
Контроль качества
Производитель строго соблюдает требования ТУ 902-09-46.88 и ГОСТ 802080. Каждая партия проходит лабораторные испытания на прочность, морозостойкость, водонепроницаемость и геометрию (допуски ±5–6 мм). Армирование выполняется по нормативам, а поверхность — проверяется на отсутствие дефектов. Плита сопровождается паспортом качества и протоколами испытаний, что подтверждает её соответствие стандартам.
Условия транспортировки и хранения
Плиты доставляются в горизонтальной позиции на автотранспорте с использованием монтажных петель и мягких прокладок. Складирование осуществляется на твёрдых площадках – укладываются штабелями по 4–6 штук с прокладками не менее 40 мм. Это защищает плиты от повреждений, деформации и утраты геометрии перед установкой .
Где купить плиту КЦД 10 А с доставкой
Компания Блок-ЖБИ предлагает купить плиту днища КЦД 10 А напрямую с завода-производителя — с полной технической документацией и гарантией качества. Мы поможем рассчитать количество изделий, подберём оптимальный маршрут доставки и организуем быстрый отгруз на ваш объект. Чтобы обеспечить надёжное, герметичное основание колодца и избежать ошибок при монтаже — звоните нам или оставляйте заявку онлайн. Купите плиту КЦД 10 А сегодня и будьте уверены в качестве и долговечности конструкции!
Смотрите также:
| Варианты написания товара |
|---|
| Плита днища КЦД 10-а |
| Плита КЦД 10-а |
| КЦД 10-а плита |
| Плита днища КЦД10-а |
| КЦД10-а плита |
| КЦД 10-а |
| КЦД10-а |
| Плита днища КЦД 10-а ТП 902-09-46.88 |
| КЦД 10-а ТП 902-09-46.88 |
| КЦД10-а ТП 902-09-46.88 |
|
ГОСТ/Серия
|
ТП 902-09-46.88 |
|
Длина, мм
|
1200 |
|
Ширина, мм
|
1200 |
|
Высота, мм
|
100 |
|
Масса, тонн
|
0,275 |
|
Объем бетона, куб.м
|
0,11 |
|
Класс бетона
|
B15 |
|
Геометрический объем, м.куб
|
0,113 |
|
Сталь, кг
|
11,97 |
Как купить
Процесс покупки железобетонных изделий у нас прост и удобен. Следуйте этим шагам:
- Выбор продукции: Ознакомьтесь с нашим ассортиментом и выберите необходимые железобетонные изделия.
- Консультация: Свяжитесь с нашим менеджером для получения консультации по выбору продукции и уточнения всех деталей. Вы можете позвонить нам или написать на электронную почту.
- Оформление заказа: После согласования всех деталей оформите заказ. Менеджер поможет вам заполнить все необходимые документы.
- Согласование доставки: После оформления заказа наш менеджер свяжется с вами для согласования условий и сроков доставки.
- Оплата: Выберите удобный способ оплаты. Мы предлагаем несколько вариантов, включая безналичный расчет.
- Получение товара: После выполнения всех условий заказа, вы получите железобетонные изделия в назначенное время и по согласованному адресу. При получении подпишите акт приема-передачи.
Если у вас возникли вопросы на любом этапе покупки, не стесняйтесь обращаться к нашим менеджерам!
Оплата
Мы принимаем только безналичные платежи и работаем исключительно с юридическими лицами. Пожалуйста, ознакомьтесь с условиями оплаты ниже:
- Способ оплаты: Все расчеты производятся безналичным путем. Мы не принимаем наличные.
- Счет на оплату: После оформления заказа вам будет выставлен счет, который необходимо оплатить в срок, указанный в документе.
- Реквизиты: Все необходимые банковские реквизиты будут предоставлены в счете. Убедитесь, что все данные указаны правильно для успешного перевода.
- Подтверждение оплаты: После осуществления платежа отправьте нам подтверждение, чтобы мы могли оперативно обработать ваш заказ.
- Получение документов: После полной оплаты вы получите все необходимые документы, включая акт выполненных работ, товарные накладные и сертификаты на продукцию.
Мы работаем с НДС и предоставляем все необходимые сертификаты и документы. Все гарантии будут прописаны в договоре, что обеспечивает прозрачность и надежность сотрудничества.
Если у вас есть вопросы по поводу процесса оплаты, не стесняйтесь обращаться к нашим менеджерам за помощью!
Наша оперативность — ваше удобство. Мы гарантируем своевременную доставку железобетонных изделий, что является ключевым фактором для успешной реализации ваших строительных проектов. Доставка осуществляется прямо к вашему объекту с учетом всех стандартов качества.
Основные условия доставки:
• Выбор тарифа: Вы можете выбрать способ расчета стоимости доставки — почасовой или по зонам.
• Согласование: Менеджер свяжется с вами для уточнения деталей после оформления заказа.
• Время на погрузку: Комплектация товара занимает от 1 до 3 дней в зависимости от объема.
• Акт приема-передачи: Продукция передается по акту приема-передачи.
Тарифы на доставку:
Цены варьируются в зависимости от расстояния и региона. Все тарифы включают НДС. При неблагоприятных погодных условиях возможны небольшие изменения в стоимости.
География доставки:
Мы работаем по всей территории РФ и имеем 12 офисов и производств, чтобы обеспечить удобные условия для доставки.
Для точного расчета стоимости доставки обращайтесь к нашим менеджерам!

