Описание верхнего блока камеры тепловой ВБК 2.6-2 900х900
Верхний блок камеры тепловой (ВБК 2.6-2 900х900) применяется для устройства камер тепловых сетей, предназначенных для обслуживания и контроля инженерных коммуникаций (теплотрасс). Изделие изготавливается компанией ГК "БЛОК", которая специализируется на производстве и поставке железобетонных изделий в Москве, с использованием высокопрочного бетона класса B22.5 (М300) и армирования стальной арматурой, что обеспечивает его прочность, устойчивость к нагрузкам и долговечность.
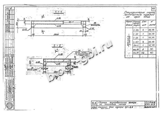
Нормативный документ: Серия 3.903 КЛ-13.
Применение верхнего блока камеры тепловой ВБК 2.6-2 900х900
Верхний блок камеры тепловой ВБК 2.6-2 900х900 используется для создания надёжной конструкции тепловых камер, воспринимающей нагрузки от грунта, транспорта и других внешних воздействий. Он служит важной частью системы, обеспечивающей безопасность, функциональность и долговечность объектов. Для монтажа могут применяться дополнительные элементы: раствор, закладные детали и другие комплектующие.
Типы блоков камер тепловых сетей
Железобетонные блоки камер тепловых сетей подразделяются на несколько типов в зависимости от назначения и конструкции:
- ВБК: верхний блок камеры;
- НБК: нижний блок камеры;
- СБК: стеновой блок камеры;
- ДБК: доборный блок камеры.
Размеры зависят от типа: длина 2860–2870 мм, ширина 1420–1430 мм, высота 380–390 мм.
Основные параметры, размеры и характеристики
- Длина L, мм: 2860
- Ширина b, мм: 1420
- Высота h, мм: 380
- Масса, тонн: 1.7
- Объем бетона, м³: 0.68
- Класс бетона: B22.5 (марка М300);
- Сталь, кг: 122.1
Закладные элементы
- Закладная 1: Закладная деталь М1;
- Закладная 2: Закладная деталь М18;
- Закладная 3: Закладная деталь М24;
- Закладная 4: Сетка С34.
Дополнительные характеристики
- Марка по морозостойкости: F200–F300;
- Марка по водонепроницаемости: W6–W8;
- Технология изготовления: формование с использованием высокопрочного бетона.
Нормы загрузки
- Норма загрузки в автотранспорт 20 т, шт: 11 (при наличии специального оборудования).
Расшифровка маркировки ВБК 2.6-2 900х900
Маркировка "ВБК 2.6-2 900х900" содержит следующую информацию:
- ВБК – верхний блок камеры;
- 2.6 – условная длина или ширина изделия в метрах (2860 мм);
- 2 – вариант исполнения;
- 900х900 – размер проёма под трубопроводы (900 мм х 900 мм).
Условия транспортировки и хранения
Верхние блоки камер тепловых сетей ВБК 2.6-2 900х900 перевозятся автомобильным или железнодорожным транспортом с использованием специальных захватных устройств (строп). Хранение осуществляется на ровных площадках с твердым покрытием. Блоки устанавливаются горизонтально в штабель высотой не более 2,5 м. Для предотвращения повреждений между изделиями устанавливаются деревянные прокладки.
Контроль качества верхнего блока камеры тепловой ВБК 2.6-2 900х900
Каждый верхний блок камеры тепловой ВБК 2.6-2 900х900 проходит многоступенчатый контроль качества. Проверяются:
- прочность бетона (не ниже класса B22.5);
- соответствие геометрических размеров проектным данным;
- морозостойкость и водонепроницаемость бетона;
- точность расположения закладных элементов;
- отсутствие трещин, сколов и других дефектов.
Заключение
Верхний блок камеры тепловой ВБК 2.6-2 900х900 – это надежный и долговечный элемент для устройства тепловых камер различного назначения. Благодаря использованию качественных материалов и современных технологий производства, он обеспечивает прочность, устойчивость и долговечность конструкций. Для заказа качественных железобетонных изделий обращайтесь к профессионалам своего дела – компании ГК "БЛОК".
Смотрите также:
| Варианты написания товара |
|---|
| Верхний блок камеры тепловой ВБК 2.6-2 900х900 |
| ВБК 2.6-2 900х900 верхний блок камеры тепловой |
| Верхний блок камеры тепловой ВБК 2.6-2 900х900 Серия 3.903 КЛ-13 |
| ВБК 2.6-2 900х900 Серия 3.903 КЛ-13 |
| ВБК 2.6-2 900х900 |
| Верхний блок камеры тепловой ВБК 2.6-2 900х900 ГОСТ |
| ВБК 2.6-2 900х900 ГОСТ |
|
Наименование для документов
|
Пространственный каркас ПК-1 |
|
ГОСТ/Серия
|
Серия 3.903 КЛ-13 |
|
Длина, мм
|
2860 |
|
Ширина, мм
|
1420 |
|
Высота, мм
|
380 |
|
Масса, тонн
|
1.7 |
|
Объем бетона, куб.м
|
0.68 |
|
Класс бетона
|
В22,5 |
|
Геометрический объем, м.куб
|
Серия 3.903 КЛ-13 в.1-5 |
|
Сталь, кг
|
122.1 |
|
Закладная 1
|
Закладная деталь М1 |
|
Закладная 2
|
Закладная деталь М18 |
|
Закладная 3
|
Закладная деталь М24 |
|
Закладная 4
|
Сетка С34 |
Как купить
Процесс покупки железобетонных изделий у нас прост и удобен. Следуйте этим шагам:
- Выбор продукции: Ознакомьтесь с нашим ассортиментом и выберите необходимые железобетонные изделия.
- Консультация: Свяжитесь с нашим менеджером для получения консультации по выбору продукции и уточнения всех деталей. Вы можете позвонить нам или написать на электронную почту.
- Оформление заказа: После согласования всех деталей оформите заказ. Менеджер поможет вам заполнить все необходимые документы.
- Согласование доставки: После оформления заказа наш менеджер свяжется с вами для согласования условий и сроков доставки.
- Оплата: Выберите удобный способ оплаты. Мы предлагаем несколько вариантов, включая безналичный расчет.
- Получение товара: После выполнения всех условий заказа, вы получите железобетонные изделия в назначенное время и по согласованному адресу. При получении подпишите акт приема-передачи.
Если у вас возникли вопросы на любом этапе покупки, не стесняйтесь обращаться к нашим менеджерам!
Оплата
Мы принимаем только безналичные платежи и работаем исключительно с юридическими лицами. Пожалуйста, ознакомьтесь с условиями оплаты ниже:
- Способ оплаты: Все расчеты производятся безналичным путем. Мы не принимаем наличные.
- Счет на оплату: После оформления заказа вам будет выставлен счет, который необходимо оплатить в срок, указанный в документе.
- Реквизиты: Все необходимые банковские реквизиты будут предоставлены в счете. Убедитесь, что все данные указаны правильно для успешного перевода.
- Подтверждение оплаты: После осуществления платежа отправьте нам подтверждение, чтобы мы могли оперативно обработать ваш заказ.
- Получение документов: После полной оплаты вы получите все необходимые документы, включая акт выполненных работ, товарные накладные и сертификаты на продукцию.
Мы работаем с НДС и предоставляем все необходимые сертификаты и документы. Все гарантии будут прописаны в договоре, что обеспечивает прозрачность и надежность сотрудничества.
Если у вас есть вопросы по поводу процесса оплаты, не стесняйтесь обращаться к нашим менеджерам за помощью!
Наша оперативность — ваше удобство. Мы гарантируем своевременную доставку железобетонных изделий, что является ключевым фактором для успешной реализации ваших строительных проектов. Доставка осуществляется прямо к вашему объекту с учетом всех стандартов качества.
Основные условия доставки:
• Выбор тарифа: Вы можете выбрать способ расчета стоимости доставки — почасовой или по зонам.
• Согласование: Менеджер свяжется с вами для уточнения деталей после оформления заказа.
• Время на погрузку: Комплектация товара занимает от 1 до 3 дней в зависимости от объема.
• Акт приема-передачи: Продукция передается по акту приема-передачи.
Тарифы на доставку:
Цены варьируются в зависимости от расстояния и региона. Все тарифы включают НДС. При неблагоприятных погодных условиях возможны небольшие изменения в стоимости.
География доставки:
Мы работаем по всей территории РФ и имеем 12 офисов и производств, чтобы обеспечить удобные условия для доставки.
Для точного расчета стоимости доставки обращайтесь к нашим менеджерам!

